A compact ATU handles 100 watts
by R. Jayaraman (VU2JN)
This note describes a compact Antenna Tuning Unit (ATU) that I assembled recently. It is capable of handling the full 100-watt output of my FT-840 transceiver.
For efficient radiation of the RF power otput of a HF transmitter, its output impedance, the characteristic impedance of the transmission line (usually coaxial cable), and the radiation resistance of the antenna should all be the same. Over the years, this standard impedance has evolved as 50 ohms for communication equipment -- applicable to RF transmitters, receivers, coaxial cables and even the Standing Wave Ratio bridge (SWR bridge). The departure of the impedance seen at the transmitter output from this standard value is shown by the SWR bridge. A SWR of 1.0 indicates an impedance of 50 ohms resistive.
An antenna, when cut for the band of operation, is said to be a resonant antenna. At the antenna end of the transmission line, the RF impedance of a resonant antenna is a pure resistance known as its 'radiation resistance' whose value, being different for different types of antennas, is not always close to 50 ohms. Moreover, when it is not 50 ohms, the coaxial cable might transform this impedance to some other value at its transceiver end. So, even a resonant antenna might be seen by the transceiver as having a SWR higher than 1.0. Because of the difficulty of putting up an antenna for each band of operation, we are often constrained to operate using a non-resonant antenna, which appears as a complex impedance made up of its 'radiation resistance' plus a significant capacitive or inductive reactance. Both these components vary with the frequency of operation.
Present-day solid-state transceivers, which have protective circuits that sense the SWR seen by the rig, would not load antennas that show a high SWR. Moreover, these transceivers make use of a bank of bandpass filters near the antenna terminals that would provide the required bandpass characteristic only when seeing a 50 ohms impedance. Therefore, these rigs need an ATU to work with antennas that show even a moderately high SWR exceeding 1.3.
In many situations, we rely on an ATU to enable us to operate with a 'short antenna', i.e. one whose resonant frequency is higher than the frequency of operation. A short antenna appears to the transmitter as a complex impedance in which the resistive component or 'radiation resistance' is much lower than that of a resonant antenna, whereas the capacitive reactance is substantial and dominates over the resistive component. It is the job of the ATU to transform the complex antenna impedance to 50 ohms resistive as seen by the transceiver. However, when we operate with a short antenna in this manner, a part of the transmitted power is wasted (1) as 'line radiation' from the coaxial line, and (2) as increased 'resistive losses' in the coax and the antenna due to the higher RF currents needed to radiate power from the lower 'radiation resistance' of the short antenna. The 'resistive losses' occur due to real resistance of the conductors at RF (which again is different from the resistance at DC), whereas the 'radiation resistance' of the antenna is a virtual resistance which can be calculated theoretically for any antenna (and frequency of operation), and which governs the RF power radiated by the antenna.
Long ago, when I commissioned my ham radio equipment, I was keen on building a good ATU. The general belief then was that a Rotary inductor was an essential component of the ATU. Since I couldn't locate either a rotary inductor or a 12-position antenna switch for use with a tapped inductor, my ATU project did not take off and, after a while, I lost interest in it. I was QRV only on the ham bands for which I had antennas.
About a year ago, my friend Salim, VU2LID / N8LI, who works in USA and visits India often, suggested that I try operating on 80 metres, and loaned me his SPC Transmatch, which enabled me to tune my 40-metre dipole on 80 metres. Because of the success of the 80-metre operation, my interest in ATU's got revived. The elusive 25 uH rotary inductor was also finally located. However, the cumbersome size of the rotary inductor and its dial drive put me off, and I started surfing the internet for circuits of compact ATU's that didn't need a rotary inductor.

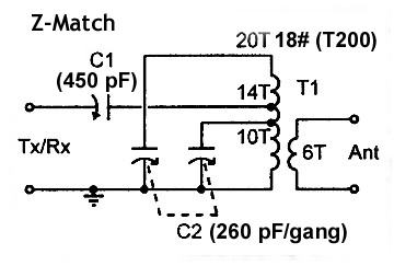
Fig.1: Z-match ATU Fig.2: Fri-match ATU
I was able to locate some articles on the Z-match ATU authored by G3VGR, VK5BR and others. Their circuit used a tapped coil (toroidal or air-core) with a link feeding the antenna (Fig.1). I tried this circuit and found that its tuning range was very limited, necessitating tricky adjustment of the total turns and taps of the coil. Also, I didn't like the link coupling for RF power transfer. So I continued my search, and finally located the article by XS4ALL on the elegant Fri-match ATU, originally developed by PA0FRI. Fig.2 shows the circuit diagram of the Fri-match ATU. This ATU uses a single tapped coil (toroidal or air-core), which couples directly to the antenna. An interesting feature of the Fri-match ATU is that the input and output of the ATU can be interchanged. The conjugate configuration is said to work better in some situations.
Fig.3: The Condenser test setup
A brief discussion on the use of BC-type air-variable tuning condensers for RF power transfer would be appropriate here. In many published articles, the suggested plate spacing for the variable condenser of a 1 kW ATU is around 2 mm. For RF power levels of upto about 200 watts, such wide-spaced condensers are unnecessary, especially when low-impedance antennas are used. I always test BC-type variable condensers before using them in my ham projects, by connecting a 230-volt 10-watt bulb in series with the variable condenser, then applying 230-volt AC to the combination, and turning the condenser knob to and fro to check for arcing. Fig.3 shows the test setup. A good-quality 2-gang 500-pF BC-type air-variable tuning condenser (Polar, Sanyo etc.) would generally pass this test without any arcing. This means the condenser can handle 230 volts RF, which appears to be quite adequate. In fact, it is not the plate spacing of the condenser that appears to be critical here, but rather the RF current-carrying capacity of the wiper of the condenser. At any rate, a good BC-type air-variable condenser, tested before use and having a clean wiper, should be quite adequate for RF power levels of upto 200 watts.
I had with me 2 Nos. of 1.56 in. o.d. toroids of unknown permeability characteristics, which were found to be good for HF. I stacked the 2 toroids, wound teflon tape over them, and then wound the coil using 14-gauge enamelled copper wire. Winding the toroidal coil was a real pain. Silver-plated multi-strand soft copper wire with teflon insulation would have made the job easier, but it is not available here. The number of turns needed for the toroidal coil depends on the core area and permeability of the core. Suggested number of turns is 15, 20 or 25. I used 20 (n) turns with taps at 4 (n/5), 8 (2n/5) and 12 (3n/5) turns.
Fig.4: The Fri-match ATU built by me
To make a long story short, my Fri-match ATU was completed in March 2011, nearly half a century after I first thought of building an ATU! Fig. 4 shows a photo of this ATU. It has just 2 controls, and no rotary inductor. It outperforms the conventional Z-match with regard to ease of tuning and tuning range, and is almost as good as the SPC Transmatch. And interestingly, so long as the Fri-match ATU is able to match an antenna within its tuning range, it is able to bring down the SWR to exactly 1.0. This is something that I had not expected from a 2-knob ATU that is free of the burden of a variable inductor!
No reduction drives are used in this ATU. Though the tuning of the condensers is very sharp, it is manageable, even for a person aged 75 years! An analog SWR bridge is needed for tune-up. A point to be kept in mind is that, if one of the condensers is very much off-tune, tuning the other condenser would not produce any dip in the reflected power. Therefore, in the absence of calibrated dials, visual monitoring of the condensers is necessary. The body of one of the condensers has a RF potential but, since it is tied to the transmitter output, there is no hand-capacitance effect.
The Fri-match ATU sits to my right near the front edge of the operating table, not far away from the FT-840 transceiver. From the antenna switch, a 70-ft. length of RG-223 coax feeds a 40-metre dipole antenna, and a 50-ft. length of RG-213 coax feeds a HY-GAIN 12AVQ 3-band ground-plane antenna. The ATU enables me to use the 40-metre dipole on 20, 40 and 80 metres, and the 12AVQ ground-plane on 10, 15, 20 and 40 metres -- all with a SWR of 1.0 as seen by the transceiver. So much so, the ATU is useful even when a resonant antenna is used for the band of operation. On 20 metres and the higher bands, I normally use the 12AVQ ground-plane. The only time I operate with a non-resonant antenna is when I use my 40-metre dipole on 80 metres. Signal reports then indicate that I am roughly 1 S-point weaker than similar stations using a 80-metre dipole. That's not bad, and I am quite happy with the performance of the ATU.
I recommend this ATU to all hams. When an ATU is available, we can fabricate a dipole, ground-plane or any other antenna simply to the dimensions suggested by theory, and dispense with the trimming of the antenna. In many situations, trimming of the antenna to lower the SWR is unscientific, because the problem is not in the antenna, but elsewhere! It is better to rely on the ATU to take care of the fine tuning of a resonant antenna.
-- VU2JN.